Showing posts with label 4 channel amplifier ic. Show all posts
Showing posts with label 4 channel amplifier ic. Show all posts

4 Channel Amplifier Ic

Buy 4 channel portable stereo headphone amplifier professional multi channel mini earphone splitter amp w 4 balanced trs headphones output jack and 14 trs. Tpa2012d2 submit documentation feedback copyright c 20042017 texas.

30 Watts 4 Channel Audio Amplifier Electronic Project Using Ta8215ah

Slim stylish powerful vhf with professional features last call voice recording.

4 channel amplifier ic. These devices consist of four independent high gain frequency compensated operational amplifiers that are designed specifically to operate from a single supply. The last call voice recording function automatically saves the last incoming call. Lm3886 is a high fidelity audio power amplifier ic capable of delivering 68w of continuous power using 4 ohm speakers.

Earn 8 in rewards wfree backstage pass membership on all pro audio equipment from signal processors to lighting stage effects to headphones and software. An amplifier electronic amplifier or informally amp is an electronic device that can increase the power of a signal a time varying voltage or current. We will automatically apply.

25watts power amplifier circuit. Lm3886 provides excellent sn ratio of 92db and. Prime free trial and invitee customers.

Audio power amplifier circuit using tda 2009 ic which has two channels stereo125 w each channel. A car stereo amplifier circuit that can be used in automobiles designed using class b audio amplifier tda1553 with circuit diagram and schematics.

Toshiba Launches New Power Amplifier Ic For Car Audio Business Wire

4 Channel Amplifier With Ic Lm1877n Amplifier Circuit Design

30w 4 Channel Car Amplifier Amplifier Circuit Circuit Diagram

Electronics Circuit Application Tda7375a Ic Amplifier Circuits

4 Channel Multi Mode Audio Amplifier Circuit Diagram Available

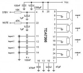
Making Surround Amplifier Tda7386 4 Channel Home Audio Surround

Audio Amplifier Circuit Page 11 Audio Circuits Next Gr

Tda7388a Original St 27pin 4 Channel Audio Amplifier Ic Zip27 Ebay

Ta8215 4 Channel Power Amplifier Circuit In 2018 Hobby Electronics

4 Channel Home Audio Amplifier 11 Watt Using Ic Tda1554 Electronic

Linear Ic Audio Amplifier Stmicroelectronics Sta540 2 Channel

Ta8215 4 Channel Power Amplifier Circuit Audio Amplifier Circuit

Tda 7388 4 Channel 4 X 41w High Fidelity Amplifier Module Board

Toshiba Electronic Devices Storage Corporation Adds Power

Innovative 4 Channel Car Audio Power Amplifier Ic Powerpulse Net

1pcs Tda8947j Tda8947 4 Channel Audio Amplifier Zip 17 Ic Chip Ebay

Tda1514 40 Watt Audio Amplifier Circuit

Class Ab Integrated Circuit Ic Chip Amplifier 4 Channel Output

Results Page 380 About Ir Remote Jammer Searching Circuits At

150w Mp3 Car Amplifier

5pcs Tb2926chq Zip 25 Ic 26 W 4 Channel Audio Amplifier Pzfm25 1

Hi Fi 4 Channel Audio Amplifier Very Simple And Cheap 6 Steps

China Ic 4 Channel Car Amplifier From Guangzhou Manufacturer

Buy Universal 4 Channel Hi Fi Audio Stereo Amplifier Ic Digital Car

Salcon 200w 4 Channel Audio Amplifier Board Tda7297 Double Ic

Toshiba Launches Car Audio Current Feedback Power Amplifier Ic With

Kht 888 Home Dj Series 4 Channel Amplifier 4440 Ic Vijay

4 Channel Hi Fi Audio Stereo Mini Amplifier Car Home Mp3 Usb Fm Sd W

Toshiba Launches 4 Channel Current Feedback Power Amplifier Ic For

4x40 Watts 4 Channel Audio Amplifier Board Diy Tda7388 Cd7388 Ic

Amplifier Help To Identify Video Amp Ic 4 Channel Used For

China Power Amplifier Ic China Power Amplifier Ic Shopping Guide At

Power Amplifier Ics Toshiba Electronic Devices Storage

Toshiba Adds Cmos Power Amplifier Ic For Car Audio Eenews Europe

A 28ghz 4 Channel Phase Adjustable Power Amplifier Ic For 5g Front

37 W 4 Channel Btl Power Ic Ha13159 Original Hitachi Semiconductor

16219796 35w X 4 4 Channel Car Audio Amplifier Ic Cheap Hot Spot On

4 Channel Multi Mode Audio Amplifier Circuit Diagram Available

4 Channel Audio Power Amplifier Ic Tda7490 Buy Audio Ic Tda7490

4 Channel Class Ab Amp From Toshiba Elektor Magazine

Beocreate 4 Channel Amplifier Chicago Electronic Distributors

Tda7375a Ic Amplifier Circuits Wiring Diagram Guide

Xxx 4 Channel Ic Amplifier 400w Max Car Amplifiers Best Buy Canada

China Ic 4 Channel Car Amplifier From Guangzhou Manufacturer

Tas5612laddv Texas Instruments Tas5612laddv Texas Instruments 4

Ha13156 38 W X 4 Channel Btl Power Ic

Cd4052 Dual 4 Channel Analog Multiplexer Demultiplexer Ic Sparkpcb Com

E Xinhe Good Car Audio Amplifier Ic Ta8276hq 4 Channel Audio Power

Riorand Diy Tda7850 4 Channel Car Audio Amplifier Board Hi Fi

Ssa Ic150 4 600w 4 Channel Amplifier Ssa Store

2019 El2444cn El2444 4 Channel Video Amplifier Pdip14 Dual

4x40 Watts 4 Channel Audio Amplifier Board Diy Tda7388 Cd7388 Ic

4 Channel 50w 4 Car Stereo Audio Hifi Amplifier Board Ic Smart

Power Amplifier Chip Amplifier Ic 4 Channel Class Ab Tda7388 25

Marine 4 Channel Power Amplifier Ic Amp By Bossaudio Part No

Lm48901sqe Power Management Ic Amplifier Ic 4 Channel Class D 32

Salcon 200w 4 Channel Audio Amplifier Board Tda7297 Double Ic

Tda7377 Amplifier Ic 2 Channel Stereo Or 4 Channel Quad Class Ab

4x40 Watts 4 Channel Audio Amplifier Board Diy Tda7388 Cd7388 Ic

Toshiba Genuine Ta8251ah 4 Channel 18 Watts Ch Audio Amplifier Ic

Amplifier Ic 4 Channel Quad Class Ab 25 Flexiwatt Vertical

Ds18 Car Audio Exl Sound Quality Full Range Class D 4 Channel

Sta540 Audio Power Amplifier Ic Amplifiers Ic 4 Channel Hdsdz In

Pt2313 4 Channel Digitally Controlled Audio Processor Ic 28

Ssa Ic150 4 600w 4 Channel Amplifier Ssa Store

Amplifier Wikipedia

Hi Fi 4 Channel Audio Amplifier Very Simple And Cheap 6 Steps

Qoo10 4 Channel Hi Fi Audio Stereo Amplifier Ic Digital Car Home

4 Channel Multi Mode Audio Amplifier Circuit Diagram Available

Kentiger Hy 504 Hifi 4 Channel Stereo Audio Remote Control Amplifier

Amplifier Ic 2 Channel Stereo Or 4 Channel Quad Class Ab 15

4 Channel Phase Adjustable Power Amplifier Ic For 5g Front Ends

Salcon 200w 4 Channel Audio Amplifier Board Tda7297 Double Ic

Cd74hc4052 74hc4052 744052 Ic 4 Channel Multiplexer

Free Shipping 10pcs Lot Tda7372a Tda7372 7372 Amplifier Ic 4 Channel

Circuit Stereo Power Amplifier Ic Tda7379 38w Xtronic

Explore Parts Library Amplifier Ic 4 Channel Quad Class Upverter

China Ic 4 Channel Car Amplifier From Guangzhou Manufacturer

Focal Fpd 600 4 Digital 4 Channel Amplifier Nib Photo 981223 Uk

Max4314eee Max4314eee Maxim 4 Channel Video Amplifier Ic

7297 Double Ic 4 Chanel Amplifier Board And 7297 Double Ic 4 Channel

Fosa Digital Hifi Amplifier Board High Sensitivity 4 Channel 4 50w

Current Channel Circuit Diagram Wiring Diagrams Source

Class Ab Integrated Circuit Ic Chip Amplifier 4 Channel Output

China Car Ic Amplifier Wholesale Alibaba

Pwd X5 Dsp Subwoofer With Built In 4 Channel Amplifier Test Report

Buy Universal 4 Channel Hi Fi Audio Stereo Amplifier Ic Digital Car

Sears By Ags 4 Channel Amplifier Model 28500 Photo 1033692 Uk

Profile 4 Ultra Genesis Amp 4 Channel Sq Amplifier New On Popscreen

4x40 Watts 4 Channel Audio Amplifier Board Diy Tda7388 Cd7388 Ic

2pcs Tda8947j Tda8947 Zip 17 Power Amplifier Ic 3 32 Picclick

Ta8215 4 Channel Power Amplifier Circuit Power Amps Pinterest

Parts Express Speakers Amplifiers Audio Parts And Solutions

Bradford Ic Fet Fm Am 4 Channel Amplifier Stereo Model 79731 8

Best 4 Channel Amp Reviews Right Now Our 1 Pick Is All You Need

Kicker Kx400 4 400 Watt Rms 4 Channel Class D Ic Bridgeable Car

Tda7375 Tda7375a 7375a Amplifier Ic 2 Channel Stereo Or 4 Channel

20pcs Lot Lv47004p E Lv47004p Lv47004 Zip 25 Ic For Car Audio

Optoisolator 4 Channel Com 00784 Sparkfun Electronics


Today Hot Topic