Tunggu kumpulan download skema tv polytro n lainnya. 43 Gambar Skema Tv Polytron U-Slim.

Gambar Dobel Bergaris Tv Led Led Tv Plasma
Scroll down and then click your TV brand from the list below and find the TV service manual for your Model number TV.

Schematic diagram tv polytron u slim. Servis SHARP SERVICE MODE Data sheet IC POLYTRON SAMSUNG TV CHINA Skema tv product LG Panasonic Skema IC TCL setting ic eprom DVD PARAMETER TOSHIBA Vertikal factory mode sony Flyback LCD free schematic tv schematic diagram sharp universe sharp wonder skematic diagram AKIRA Akari Digitec Pengalaman Servis Sanyo Download Skema Tv Konka Sanken. Schematic diagram tv polytron slim. Tv tv pdf manual download.
Kumpulan Skema TV Polytron lengkap - Polytron adalah sebuah merk televisi yang sudah sangat terkenal bagi masyarakat di Indonesia. TV produksi dalam negri ini bisa di ibaratkan seperti televisi sejuta umat karena dari mulai di produksinya hingga sampai hari ini tv Polytron menjadi salah satu merk favorit di kalangan masyarakat kita. Tv tabung crt adalah teknologi tampilan gambar model lama dan sampai saat ini pun masih diproduksiakan tetapi tv tabung yang sekarang ini sudah.
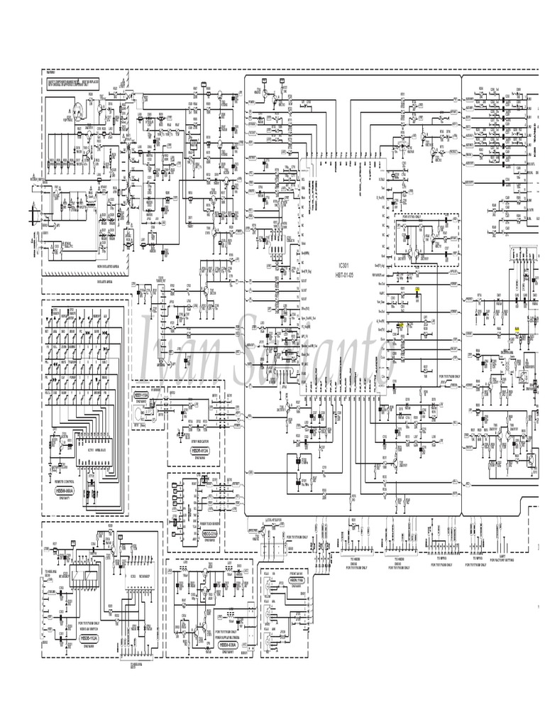
Namun sayangnya kami hanya membagikan skema untuk beberapa tv polytron saja tidak semuanya. How to download AOC TVs schematic diagrams and service manuals. Polytron Bt5 U Slim Ps52uv232g Ps52um70 Hbee 010a Hbt 01 05 Hbt 05 001 7n65 Stv9325 Md2009 D313 Jf0501 19587 La44402 Pdf.
Sony lcd led crt tv circuit diagrams pdf. Skema tv polytron pdf skema tv polytron ps52uv03 skema tv polytron ps52uv60rm skema tv polytron 123 skema tv polytron u-slim 21 pdf skema tv polytron u slim 21 inch skema tv polytron slim xbr skema tv polytron ps52uv232 41 Skema Rangkaian Mesin Tv Polytron. Silakan di download secara gratis.
Search on the page. San a60 a80 sm san au d11 san aux701 om sans 9090db bro sans 9090db guide. Download skema tv Polytron semua type ada disini.
BEKO TV BEKO SLIM S09 BEKO SLIM S09pdf. CtrlF enter the name of the firm or digital value of the model PALLADIUM TVs schematic diagrams and service manuals PALSONIC TVs schematic diagrams and service manuals. Problem suara kadang keras-pelan sendiri disebabkan kerusa.
Miliki skema tv lengkap merk polytron untuk koleksi agar saat service tv berbagai kerusakan mudah untuk. To429 slim electronics search electronic circuits tv. SHARP 14B25MK2 IC IX927WJ 2.
AOC TVs schematic diagrams and service manuals. Samsung tv e manual 233 pages. Skematik Tv Polytron Skema Free Gratis All Skematik.
PANASONIC TVs schematic diagrams and service manuals. Service manual samsung sp403jhax lcd television. Download Skema Tv Polytron Minimax MX5203.
BEKO TV BEKO SlimS09-100Hzpdf. Bagi yang sedang membutuhkan skema tv polytron silakan download skema tv polytron beberapa model seperti. Skip to the content.
Crt tv pcb board tv circuit board. Here is a samsung lcd tv circuit schematic as an example. Regulator berfungsi untuk mensuplay tegangan keseluruh rangkaian pcbboard juga kerangkaian RGB dan tabungbiasanya tegangan outputsekunder pada tiap-tiap regulator monitor belum tentu samatapi pada intinya ada 3 yaitu 1.
Untuk berbagai jenis tv tabung model baru dan lama atau jadul seperti minimax series diva slim digitec flat grandmaster u slim xbr bazzoke crystaline hyperband xcel gm. General information about service manual TV file its size type interface language the name of the operating system under your TV works and the date of creating repair manual containing service manual for TV is represented on this page. Schema tv samsung pdf.
Bengkel elektronik mojokerto tv lg ultra slim 14fu7ab. APEX GT2015 chassis CN-12C2. Poin pembahasan 41 Skema Rangkaian Mesin Tv Polytron adalah.
Television lg ultra slim datasheet amp application note. Download Koleksi Skema Tv Tabung Edisi Pertama Youtube. Element TV Service and Repair Manuals.
43 Gambar Skema Tv Polytron U-Slim Saya kira rusak bagian modul rgb. Download Skema Tv Polytron Diva. Polytron Slim menggunakan TMPA8879 dan ic tone kontrol R2S15900.
When troubleshooting your television you will need to use schematics and diagrams to pinpoint the issue. Element LCD TV Service Manuals. Service manual samsung ci3352 5052 xt colour television.
Polytron Series Chassis CTG-AA. Dc 65 volt untuk menyuplay tegangan ke vilamen CRT. Bagian Komponen Blok Regulator Power Supplay.
Namun regulator ini tidak hanya untuk tv polytron seri atau type tersebut melainkan di pakai pada tv yang penting secara fungsional sama ya bisa saja untuk versi type lainya. Blok Diagram TV. Samsung crt tv circuit diagram pdf.
APEX TVs schematic diagrams and service manuals. 14F2003 Chassis BM5 P-N HBEA-001A04 STV2286. Kerusakan Tv Polytron U Slim Ps52uv232.
How to download APEX TVs schematic diagrams and service manuals. Daftar kumpulan skema blok diagram tv merk polytron berbagai jenis dan model tv tabung tv slim tv lcd tv led dilengkapi dengan penjelasan bagian demi bagian secara lengkap Skema Tv Polytron Minimax Service Tv Jogja Service TV Skema Tv Polytron. Skema Tv Polytron - Download kumpulan skema tv tabung merk Polytron berbagai model dan ukuran 14 inci 21 29.
The Element TV Repair Manual Link above will show all TV model numbers including. Kerusakan protek Tv Sanyo 29 inch IC QXXAVC796-N LA76933 DE_ 57Y6. Lg flatron service manual pdf download.
Solder Pecebeq Cara Kerja Mesin Tv Polytron. ARI-TECH TVs schematic diagrams and service manuals. Here you are also able to see a quantity of file TV schematic diagram download and.
Diagram Diagram Servis Tv Polytron U. PASE TVs schematic diagrams. On this page you can find and free download more than 380 circuit diagrams schematics and service repair manuals for sony led tv lcd tv crt tv and others.

Jual Mesin Tv Polytron U Slim 14 21 Di Lapak Abie Bukalapak

Konsep 26 Skema Pcb Tv Polytron Motif Minimalis Skema Pcb

41 Skema Rangkaian Mesin Tv Polytron

Baru 38 Skema Rangkaian Vertikal Tv Polytron Slim
Polytron Bt5 U Slim Ps52uv232g Ps52um70 Hbee 010a Hbt 01 05 Hbt 05 001 7n65 Stv9325 Md2009 D313 Jf0501 19587 La44402 Pdf

Terbaru Skema Rangkaian Tv Digitec Skema Rangkaian

Konsep 26 Skema Pcb Tv Polytron Motif Minimalis Skema Pcb
Marsono Tv Teknisi Bertanya Power Suply Polytron Pakai Facebook

Kumpulan Skema Tv Terbaru 2018

41 Skema Rangkaian Mesin Tv Polytron

Kumpulan Skema Tv Polytron Terlengkap Jandelatv
Konsep 26 Skema Pcb Tv Polytron Motif Minimalis Skema Pcb

Skema Tv Polytron Kumpulan Skema Tv Tabung Berbagai Model Lengkap Servicesparepart

Skematik Tv Polytron Skema Free Gratis All Skematik



