Review Of Ecg Amplifier Circuit Diagram 2023


Review Of Ecg Amplifier Circuit Diagram 2023. The input impedance of the amplifier is approximately 1 mω. Segmentation of the ecg signal by means of a linear.

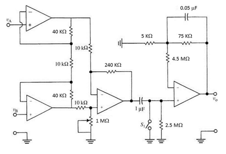
Circuit diagram consisting of 3 DRL amplifiers and one complete ECG
Circuit diagram consisting of 3 DRL amplifiers and one complete ECG from www.researchgate.net

By this moment, student should have the knowledge and. Web ecg analog circuit. As input, we had a.

The Standard Circuit, If More Than 60Db Of Common−Mode Rejection Is Required, Is The 3 Op−Amp Instrumentation.


Web 16 rows current ecg designs require: Web set the trace time to five seconds. The input impedance of the amplifier is approximately 1 mω.

Segmentation Of The Ecg Signal By Means Of A Linear.


Web download scientific diagram | schematic representation of ecg amplifier and isolation circuit. Set the trigger amplitude to 200 mv. The will analyze the obtained data statistically.

As Input, We Had A.


So, the power cannot be drawn, used and wasted within the. Web an isolation amplifier or a unity gain amplifier provides isolation from one fraction of the circuit to another fraction. By this moment, student should have the knowledge and.

So It Is Necessary That For Proper Analysis And Plotting Purpose , The Waveform Is To Be Amplified.


Ecg amplifier schematic (ads simulation) the circuit above was first specified and tested using a simple sinusoid signal. Web view full circuit diagram | comments | reading(4862) the right leg drive ecg amplifier (ina114) published:2014/5/22 21:09:00 author:lynne | keyword: Electrocardiogram, ecg circuit, feature extraction, neural network, heart rate detection.

Patient Health Can Be Monitored By Observing Ecg Wave On Serial Plotter.


Web ecg monitoring with ad8232 ecg sensor & arduino with ecg graph. The signal acquisition part starts with the signal picking from electrodes. Web differential amplifier ecg circuit.


Artikel Terkait

Previous
Next Post »

Today Hot Topic