View online or download cummins c20n6hc spec a installation manual. Cummins power command controller hmi in home remote multi line generator control panel for pcc hmi onan standby power generator sets55.
Cummins Transfer Switch Wiring Diagram Studiowsimonini It Circuit Wirings Circuit Wirings Studiowsimonini It
The control functions over a voltage range from 8 vdc to 30 vdc.
Cummins generator control panel wiring diagram. It shows how the electrical wires are interconnected and may also show where fixtures and components might be connected to the system. Collection of onan generator wiring diagram. Cummins c20n6hc spec a pdf user manuals.
Access to documents and materials for your cummins products cummins produces a wide variety of documents to help customers get the most from their engines generators and components. The cummins isx cm871 engine ecm wiring diagram provides information for the correct servicing and troubleshooting of electrical systems and is essential for all mechanics carrying out repairs or maintenance on the cummins isx engine with cm871 control system. A wiring diagram is a simplified traditional pictorial depiction of an electric circuit.
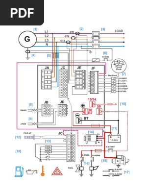
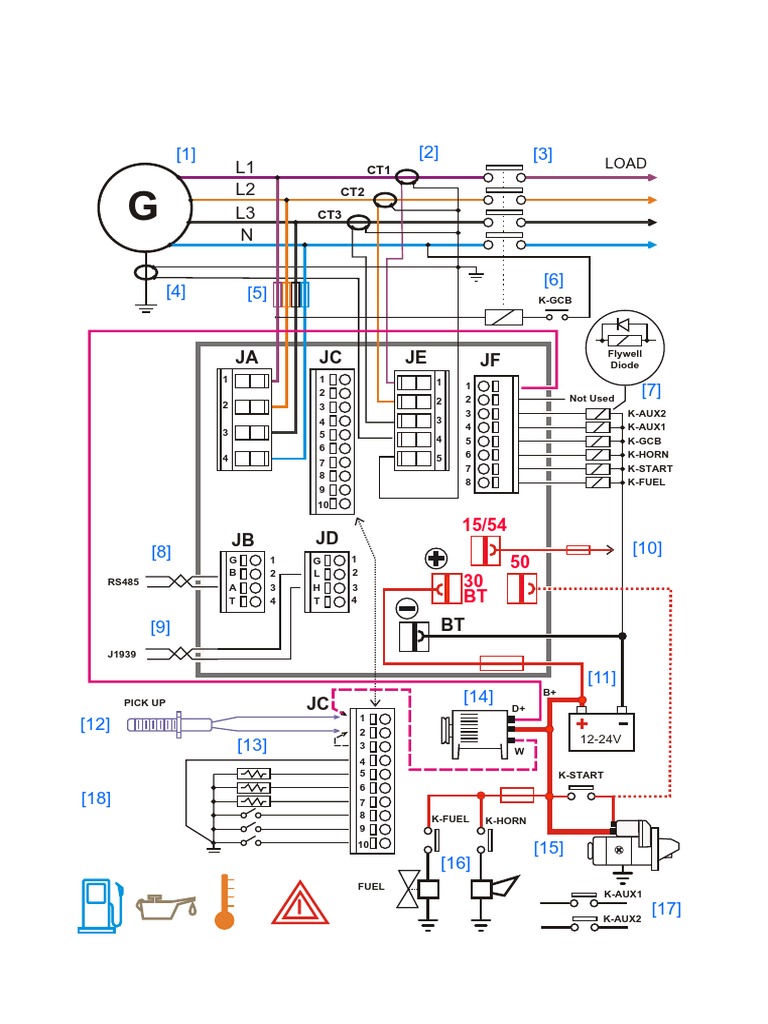
The above illustrated diesel generator control panel wiring diagram is the typical connection wiring diagram of the bek3 automatic mains failure controller. Need a wiring diagram for a onan gen set for the startstop pertaining to onan generator wire diagram image source. Wiring diagram for generac transfer switch the at onan image source.
Variety of generator control panel wiring diagram. The powercommand control system is a power for this control system is derived from the generator set starting batteries. Connecting the current transformers after the mains and generator changeover will allow you to read and monitor the current when the load is connected to the power utility.
Features control to. A wiring diagram is a streamlined traditional photographic depiction of an electric circuit. Much of this library is available online.
Wiring diagram for cummins generator gallery. Check out the digital resources listed below or contact us for help with your specific needs. A wiring diagram is a simple visual representation in the physical connections and physical layout associated with an electrical system or circuit.
Cummins c20n6hc spec a installation manual 116 pages. It reveals the components of the circuit as streamlined forms as well as the power as well as signal connections between the gadgets. Cummins transfer switch wiring diagram what is a wiring diagram.
Rms account setup and generator set control connection. It reveals the components of the circuit as streamlined forms and the power and signal links in between the tools.
How Does A Diesel Generator Work What Are Their Parts And Function
Cummins Generator Control Wiring Diagram Wiring Diagram 79 Chevy Truck Bege Wiring Diagram
Afcs Control Panel Wiring Diagram
Schneider Electric Switches And Relays Authorized Schneider Electrical Sub Panel Wiring Control Diagram Pdf Industrial 3 Phase Wiring Diagram Plc Pdf Inspirationa Electrical Control Panel Wiring Control Panel Wiring Residential Wiring Diagram
Https Encrypted Tbn0 Gstatic Com Images Q Tbn And9gct3pl Rtbwk1izqpd6epeihwlijn2gfmayoc2lt4ee Tbzx0kgm Usqp Cau
Diesel Generator Control Panel Wiring Diagram Engine Connections Electrical Circuit Diagram Electrical Panel Wiring Basic Electrical Wiring
Small Diesel Generators Wiring Diagrams
Automatic Generator Start Stop Victron Energy
Wiring Diagrams For Mep002a Mep003a Military Diesel Generators Green Mountain Generators
Cummins Manual Parts Wiring Fault Code Troubleshooting Repair 2018 Fast Download Eur 40 00 Picclick Fr
Small Diesel Generators Wiring Diagrams
Diesel Generator Control Panel Wiring Diagram Pdf
Mr 8555 Diesel Generator Control Panel Wiring Diagram Ac Connections Schematic Wiring
Cummins Power Command Controller Hmi 211 Remote Generator Control Panel Part 0541 1394 At Rs 31500 Number Korattur Chennai Id 20705882430
Dse7310 Manual Auto Start Control Modules Dsegenset Deep Sea Electronics
Diesel Generator Control Panel Wiring Diagram Pdf
Wiring Diagram For Onan Generator Control Panel 1989 Mercedes 560sl Fuse Box Location Cheerokee Yenpancane Jeanjaures37 Fr
Hdyw Series Generators With M6 Contol Panel Wiring Diagram Manualzz
Small Diesel Generators Wiring Diagrams
Diagram Wiring Diagram For Onan Generator Control Panel Full Version Hd Quality Control Panel Outletdiagram Virtual Edge It
Wiring Diagram For Onan Generator Control Panel Mopar Coil Wiring Diagram Bege Wiring Diagram
Hardy Diesel Generator With Dse3110 Controller Wiring Diagram Manualzz
Cummins Powercommand Control Digital Generator Service Manual
Wiring Diagram For Onan Generator Control Panel Dodge Neon Radio Wiring Harness Vww 69 Yenpancane Jeanjaures37 Fr
Advancements In Generator Control Panels Multiple Generator Systems And Paralleling
System Adjustments Of Single Unit Governor For Cummins Engine
Generator Control Panel Westerbeke
Of 7913 Wiring Diagram Together With Generator Control Panel Wiring Diagram Schematic Wiring
Https Encrypted Tbn0 Gstatic Com Images Q Tbn And9gcsiqocxsvbybmuyoqvyihpimtyjlrym 441le Kev3bewhptykm Usqp Cau
